二极管及其应用电路
INFO
6. 二极管及其应用电路(建议4学时)
6.1 二极管基础
6.1.1 二极管结构及其伏安特性
6.1.2 二极管等效电路模型(包括简化、恒压降和小信号模型)
6.1.3 齐纳二极管及其应用(伏安特性、主要参数及其应用电路)
6.2 二极管应用电路
6.2.1 整流电路(包括半波、全波和桥式)
6.2.2 限幅和钳位电路
6.2.3 电压倍增器
6.2.4 逻辑门(或门、与门)
TIP
- 指数模型(根据电压求电流):
- 指数模型(根据电流求电压):
- 由此可推论:10倍电流变化对应60mV电压差
- 小信号模型:二极管的小信号模型为电阻,其电导为
(写成电导形式是为了与后续三极管的小信号模型对应) - 二极管电路分析的假设验证方法
- 假设二极管的状态为 on,则电压为 0 或
,验证电流,电流只能从正流向负; - 假设二极管的状态为 off,则电流为 0,验证电压,电压只能是负端高于正端。
- 假设二极管的状态为 on,则电压为 0 或
习题及参考解答
知识点1:二极管的结构与工作原理
CH06-KP1-01: 二极管的正向电压变化 ________ 时,电流约变化 10 倍。
A. 20 mV
B. 40 mV
C. 60 mV
D. 80 mV
C。
,由二极管指数模型(根据电流求电压)推导可得
CH06-KP1-02: 当稳压管在正常稳压工作时,其工作状态(两端施加的外部电压的特点)为 ________ 。
A. 反向偏置但不击穿
B. 正向偏置但不击穿
C. 反向偏置且被击穿
D. 正向偏置且被击穿
C。击穿,但非破坏性击穿。
CH06-KP1-03: 稳压二极管处在稳压工作状态是工作在 ________ 。
A. 导通状态
B. 截止状态
C. 反向击穿状态
D. 任意状态
C。同上
CH06-KP1-04: 所谓理想二极管,就是当其正偏时,其电阻为 ________ ;当其反偏时,其电阻为 ________ 。
0 无穷。正向导通,反向截止。
CH06-KP1-05: 稳压二极管稳压和发光二极管发光时,它们分别工作在 ________ 。
A. 正向导通区、反向截止区
B. 反向截止区、正向导通区
C. 正向导通区、反向击穿区
D. 反向击穿区、正向导通区
D。稳压二极管根据定义工作于反向击穿区,发光二极管有较大电流,因此工作于正向导通区。
CH06-KP1-06: 若温度不变,二极管加正向电压时,其动态电阻
A. 增大
B. 减小
C. 不变
D. 按对数规律变化
B。
,
CH06-KP1-07: 以下关于齐纳二极管的描述正确的是 ________ 。
A. 齐纳二极管用于信号放大
B. 齐纳二极管通常工作于正向击穿区间
C. 齐纳二极管通常用于电压稳定
D. 齐纳二极管不能用于交流电路
C
齐纳二极管工作于反向击穿区,用于稳压。
7、[optional] 在常温下,杂质半导体中多数载流子主要由 ________ 而产生,而少数载流子由 ________ 产生。
杂质 (掺杂) 电离本征激发。
8、[optional] PN结加正向电压时,内电场方向与外加电场方向 ________ ,PN结宽度变 ________ 。
相反 窄
9、[optional] 半导体PN结有单向导电的特性表现为:PN结加 ________ 电压时导通,而加 ________ 电压时截止;构成稳压二极管时,要获得稳压作用,该PN结应该 ________ 偏置。
正向 反向 反向
10、[optional] PN 结加反向电压时,内电场方向与外加电场方向 ________ (相同/相反),PN 结变 ________ (宽/窄)。
相同 宽
知识点2:二极管应用电路的分析计算
CH06-KP2-01: 下图所示电路中稳压管的稳定电压
(1)分别计算
(2)若

(1) 只有当加在稳压管两端的电压大于其稳压值时,输出电压才为6V。
所以 当
时, ; 当
时, ; 当
时, ; 。 (2) 当负载开路时,
,稳压管将被烧毁。
CH06-KP2-02: 二极管整流电路主要有 ________ 整流、 ________ 整流和 ________ 整流三种类型。
半波 全波 桥式
CH06-KP2-03: 如右图所示电路,已知

+1V - 1V。两个二极管均没有机会导通。
CH06-KP2-04: 如下图所示电路,假设二极管和 3 V 齐纳二极管导通时的压降为 0 V,求

当
时,二极管和齐纳二极管均正向导通,则
当
时,齐纳二极管截止,则
当
时,二极管截止,齐纳二极管工作在反向击穿区,则输出电压 为
输入电流
为
CH06-KP2-05: 关于稳压器,以下哪个说法是正确的 ________ 。
A. 在电源电压波动时,可以提供恒定的输出电压;
B. 在负载变化时,可以提供恒定的输出电压;
C. 可以与整流器、滤波器配合工作;
D. 以上说法都对。
D。 根据稳压器的定义和实际电路实现,ABC均对
CH06-KP2-06: 右图所示电路中,若流经二极管电流为 1 mA,其两端的电压降约为 0.7 V,现假设电阻 R = 10 kΩ,那么流经该电阻的

0.93 2.68。
; ,再分压可得。
CH06-KP2-07: 采用恒压降模型(

CH06-KP2-08: 采用恒压降模型(

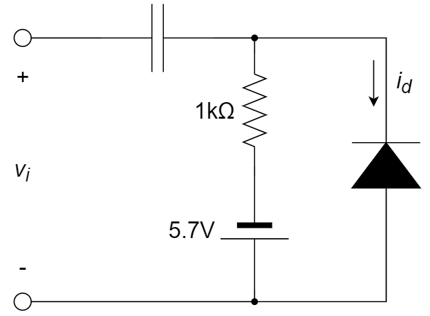
CH06-KP2-09: 下图中,电容为容值较大的隔直电容,已知二极管的导通电压为 0.7 V,常温下

2 mA。二极管的直流电流为5.7mA,因此小信号电阻为
,故电流有效值为 2 mA。
CH06-KP2-10: 假设下图所示二极管是理想的,下列所述正确的是 ________ 。

A.
B.
C.
D.
C。二极管负极处电压高于0V。
CH06-KP2-11: 二极管电路下图所示,二极管的工作状态是 ________。
A.
B.
C.
D.

B。假设最下面节点电压为15 V,则D1正极处为15V,D2正极处为0V,R1和V2连接节点为3V,因此D1导通,D2截止。
CH06-KP2-12: 若桥式整流电路的交流输入电压有效值为 10 V ,则其中每个二极管的反峰电压约为 ________ (二极管的压降恒定为 0.7 V )。
13.44 V。最大反向电压被两个二极管平摊,
。
CH06-KP2-13: 下图所示为将交流电转换成直流电的电源,其中 A、B、C 三个主要组成部分分别是 ________ 、 ________ 和稳压器。

整流器 滤波器
CH06-KP2-14: 分析下图所示电路,已知二极管

设
的反向饱和电流为 , 对于
, 对于
, 两式相除,
CH06-KP2-15: 如下图所示电路中,输入电压
(1) 当
(2) 当电源电压
(3) 在输入电压

(1)
(2)
(3) 当
变化 +20% 和 时稳压管的功耗最大。
,超过允许的最大耗散功率。
CH06-KP2-16: 下图所示为包含理想二极管的电路及其输入信号曲线,则输出信号曲线应为 ________ 。


D。正负周期均导通,且电阻分压导致最大峰值电压为5V
CH06-KP2-17: 在桥式整流电源电路中,滤波电容的电容值不能选择过大,主要原因是 ________ 。
A. 大电容不安全
B. 通过二极管的整流电流太大
C. 充电时间太长
D. 滤波输出电压平均值增大过多
B。当电容值过大时,充放电电流会增大。在整流电路的电源刚刚开启时,大电容将如同短路一般,导致瞬间流过大电流,这可能损坏整流桥或保险管。
CH06-KP2-18: 如下图所示电路,已知集成二极管导通时的压降

11.1 mV。二极管的直流电流为6mA,因此
,再分压可得。
CH06-KP2-19: 在线性直流电源中,由理想二极管组成桥式整流电路,在没有加入滤波电容时,二极管的导通角 ________ 180°;加入滤波电容后,二极管的导通角 ________180°。
A. =, <
B. =, >
C. <, >
D. >, <
A。忽略二极管导通压降,无滤波电容时,二极管半周期导通;加入滤波电容后,仅充电时二极管导通,小于半周期。有滤波电容时的导通角参考下图
CH06-KP2-20: 假设二极管的导通电压

-5.3 V 1.295 mA。先计算 A 点电压,再对 A 点 KCL。
CH06-KP2-21: 设下图电路中所有二极管的导通电压均为0.7 V,则输出电压

1.3, -2
二极管导通,
二极管截止,流过R的电流为0
CH06-KP2-22: 设下图电路中所有二极管的导通电压均为0.7 V,则输出电压

2, -1.3
二极管截止,流过R的电流为0
二极管导通,
21、在下图所示的串联型线性稳压电路中,若要求输出电压为 18 V,调整管压降为 6 V,采用桥式整流电容滤波,则电源变压器副边电压的有效值应选为 ________ 。
A. 6 V
B. 18 V
C. 20 V
D. 24 V

C。【电源部分不作考试要求】【根据经验,一般选择合适RC值(3-5倍的半周期),使得滤波后的直流分量约为,其中 为变压器次级电压的有效值,忽略整流二极管的压降】;此题中,滤波后直流分量为24 V,所以变压器次级的有效值为20 V。
22、如下图所示的整流滤波电路,已知变压器副边电压有效值为 10 V,电容足够大。正常工作时,输出电压平均值

12 V 14 V 9 V 6 V。【电源部分不作考试要求】,分析见上题。


