功率放大器
INFO
12. 功率放大器(建议2学时)
12.1 功率放大器概述
12.1.1 功率放大器特点
12.1.2 功率放大器分类
12.2 功率放大器分析计算(包括电源功率、负载功率、晶体管耗散功率、放大器效率和输出信号摆幅等)
12.2.1 A类功率放大器
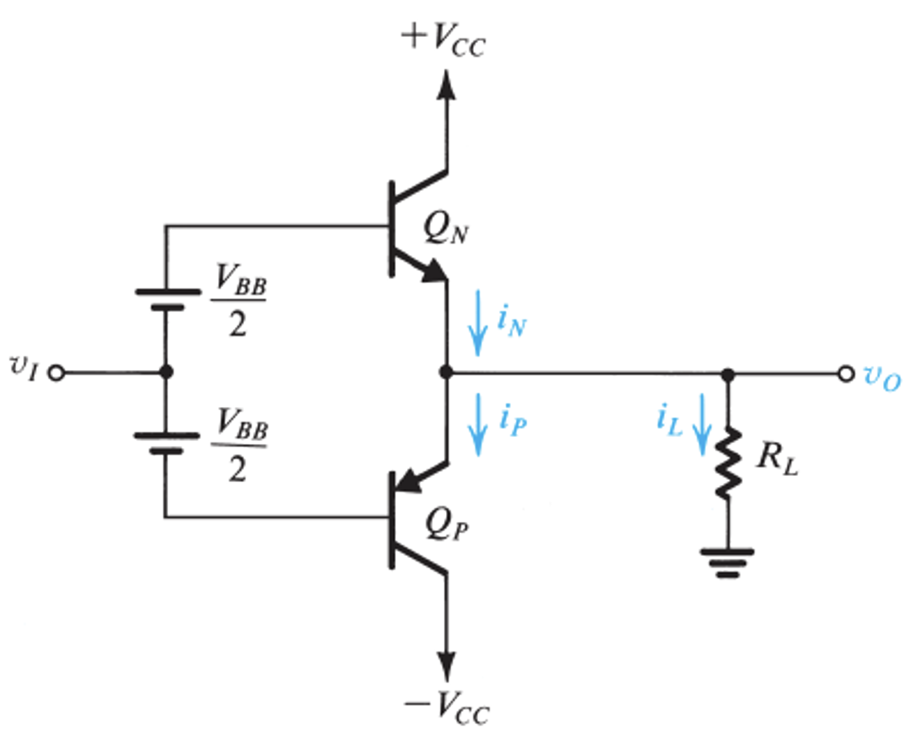
12.2.2 B类功率放大器
12.2.3 AB类功率放大器
TIP
功放分类与电路分析。
本章无特殊说明一般为正弦波
A类功放,效率最高25%
AB类功放,效率最高78.5%
主要功耗计算公式:
- 负载上的功耗:
, 为负载上电压的峰值; - 电源功耗:电源电压
从电源抽取的平均电流; - AB类功放,每个管子一半周期导通,即管子电流的波形为半个周期正弦波半个周期为0(若正弦波的振幅为1,则该波形的平均值为
);所以AB类功放电源功耗为 - AB类功放的效率:
- 晶体管功耗 = 电源功耗
负载功耗 = ;可推导出单个晶体管的最大功耗为 (当 时)
- 负载上的功耗:
习题及参考解答
知识点1:功放概述与分类
CH12-KP1-01: 功率放大电路中,C类(或称为丙类)放大器的导通角为 ________ 。
A. 360°
B. 180°
C. 小于180°
D. 大于180°
C
CH12-KP1-02: B类(或称为乙类)功率放大电路中,功放晶体管静态电流
0 交越。静态时两个晶体管皆关闭。
CH12-KP1-03: A类功放的导通角为 ________ ;B类功放的导通角为 ________ 。
360° 180°
CH12-KP1-04: 相比乙类功率放大器,甲乙类功率放大器的主要优点是消除了 ________ 。
A. 饱和失真
B. 交越失真
C. 截止失真
D. 谐波失真
B。甲类乙类即A类B类。
CH12-KP1-05: 一个功率放大器,其导通角为 180°,那么它属于 ________ 。
A. A类功放
B. B类功放
C. C类功放
D. AB类功放
B
CH12-KP1-06: 乙类互补对称功率放大电路容易产生 ________ ,可以通过使该电路工作在 ________ 状态消除这一影响。
A. 截止失真、甲类
B. 交越失真、甲乙类
C. 截止失真、甲乙类
D. 交越失真、甲类
B
CH12-KP1-07: 要提高电源的利用效率,又避免信号产生交越失真,应选用 ________ 功率放大器。
A. A类
B. AB类
C. B类
D. C类
B
知识点2:功率放大器的分析计算
CH12-KP2-01: 下图为一不完整的放大电路,运放为理想的,三极管的饱和压降为零,已知
(1) 将
(2)
(3) 求每个三极管的最大耗散功率

(1)
两端分别接到运放的反相端和三极管的发射极,组成电压并联负反馈放大器(感知电压,返回电流)。 (2)
(3) 管耗
求极限得到,当
时, 因此,每个三极管的最大耗散功率
CH12-KP2-02: 如下图所示电路,已知
A. 为正弦波
B. 仅有正半波
C. 仅有负半波
D. 始终为零

C。
虚焊,则输入正半周期时电路不工作。
CH12-KP2-03: 在下图所示电路中,已知

24.5 W 68.7%
CH12-KP2-04: 在下图所示电路中,已知

6.4 W 9.9 V
CH12-KP2-05: 在下图所示电路中,已知复合管
(1) 负载上可以获得的最大输出功率
(2)

(1) 最大输出功率
效率
(2) 最大集电极电流
最大管压降
集电极最大功率
CH12-KP2-06: 如图所示 B 类功率放大器,已知电源电压为正负 15 V,负载电阻

CH12-KP2-07: 要求设计一个平均输出功率为 20 W 的 B 类放大器,负载为 8
(1) 计算需要的电源电压
(2) 计算从每个电源获取的最大电流;
(3) 计算电源提供的总功率
(4) 计算在正弦波输入情况下每个晶体管能够承受的最大功率。

(1)
(2)
(3)
(4)
CH12-KP2-08: 下图所示功放电路中,设运放 A 的最大输出电压幅度为
(1) 求该电路的电压放大倍数
(2) 求最大不失真输出功率

(1)
(2)
CH12-KP2-09: 如图所示放大电路,
(1) 若输出电压波形出现交越失真,应调整哪个电阻?如何调整?
(2) 若

(1) 若出现交越失真,应调大
,使 、 的基极间电压增大,提供较大的静态电流。 (2) 若
、 、 中任意一个开路,则
功率管会烧坏
CH12-KP2-10: 如下图所示放大电路,已知
(1) 负载
(2) 电源供给的功率
(3) 两个管子的总管耗

(1)
(2)
(3)
CH12-KP2-11: 如下图所示电路,已知电压放大倍数为 -100,输入电压
(1) 在不失真情况下,求输入电压最大有效值
(2) 若输入电压有效值

(1) 最大不失真输出电压有效值为:
故在不失真的情况下,输入电压最大有效值:
(2)
,则 。 若
短路,则 。
CH12-KP2-12: 如下图所示,三极管
(1) 假如
(2) 若流经

(1)
⇒ ⇒ 流经 的电流为 12.5 mA ⇒ 流经 的电流为 20 mA;
⇒ ⇒ 流经 的电流为 25 mA ⇒ 流经 的电流为 7.5 mA; (2)
,
CH12-KP2-13: B类功率放大器管耗最大时,输出信号的幅度________ 。
A. 最小
B. 介于最小和最大之间
C. 最大
B
CH12-KP2-14: 如下图所示的AB类放大器,已知2个三极管
(1) 求
(2) 当
(3) 当




